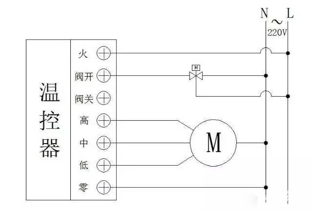
溫控器開關接線圖及原理是什么呢

其工作原理是通過溫度傳感器對環(huán)境溫度自動進行采樣、即時監(jiān)控,當環(huán)境溫度高于控制設定值時控制電路啟動,可以設置控制回差。如溫度還在升,當升到設定的超限報警溫度點時,啟動超限報警功能。當被控制的溫度不能得到有效的控制時,為了防止設備的毀壞還可以通過跳閘的功能來停止設備繼續(xù)運行。主要應用于電力部門使用的各種高低壓開關柜、干式變壓器、箱式變電站及其他相關的溫度使用領域。
===========================
凱億網(wǎng)宣辦:趙 2024.3.4
===========================